டிஸார்ப்ஷன் எலக்ட்ரோலைடிக் சிஸ்டம் என்றால் என்ன மற்றும் நவீன தங்கத்தை பிரித்தெடுப்பதற்கு இது ஏன் அவசியம்

திடிஸார்ப்ஷன் எலக்ட்ரோலைடிக் சிஸ்டம்நவீன தங்கம் பிரித்தெடுப்பதில், குறிப்பாக கார்பன்-இன்-கூழ் (சிஐபி) மற்றும் கார்பன்-இன்-லீச் (சிஐஎல்) செயல்முறைகளில் இது ஒரு முக்கியமான தொழில்நுட்பமாகும். கணினி எவ்வாறு செயல்படுகிறது, அதன் கூறுகள், நன்மைகள் மற்றும் திறமையான தங்கத்தை மீட்டெடுப்பதில் இது ஏன் ஒரு தரநிலையாக மாறியுள்ளது என்பதை இந்த வலைப்பதிவு ஆராய்கிறது. நிறுவனங்கள் எப்படி விரும்புகின்றன என்பதையும் நாங்கள் முன்னிலைப்படுத்துகிறோம்EPICஇந்தத் துறையில் புதுமைகளை உந்தித் தள்ளுகிறார்கள். முடிவில், இந்த அமைப்பு எவ்வாறு உற்பத்தித்திறனை அதிகரிக்கிறது, செலவுகளைக் குறைக்கிறது மற்றும் மீட்பு விகிதங்களை மேம்படுத்துகிறது என்பதைப் பற்றிய விரிவான புரிதலை நீங்கள் பெறுவீர்கள்.

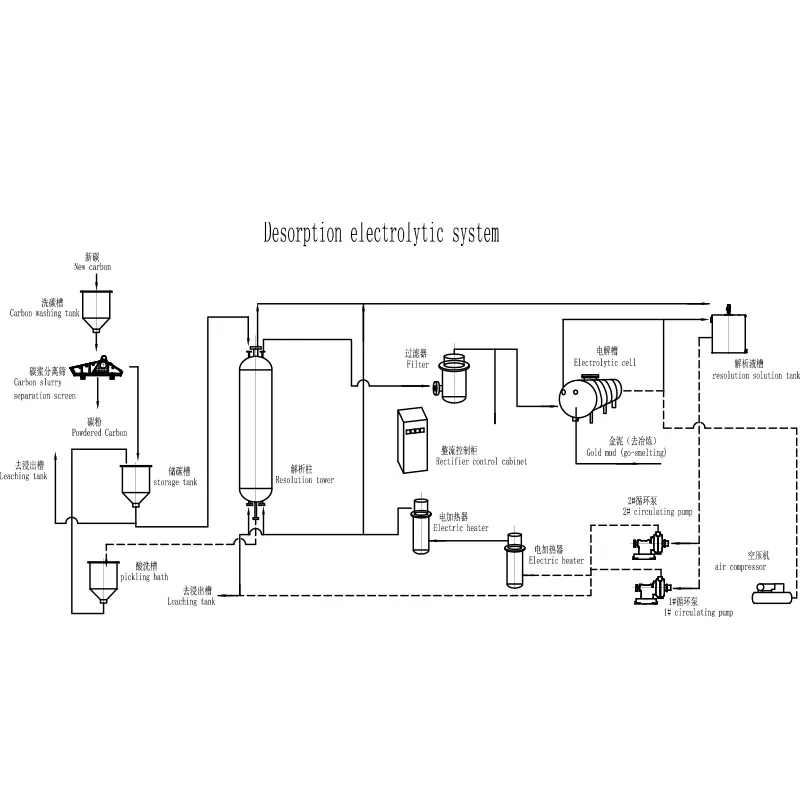
Desorption Electrolytic System

பொருளடக்கம்


டிஸார்ப்ஷன் எலக்ட்ரோலைடிக் சிஸ்டம் என்றால் என்ன

A டிஸார்ப்ஷன் எலக்ட்ரோலைடிக் சிஸ்டம்செயல்படுத்தப்பட்ட கார்பனில் இருந்து தங்கத்தைப் பிரித்தெடுக்கப் பயன்படுத்தப்படும் மேம்பட்ட தங்க மீட்பு அமைப்பு. கசிவு செயல்பாட்டின் போது கார்பன் துகள்களில் தங்கம் உறிஞ்சப்படும் சுரங்க நடவடிக்கைகளில் இது பரவலாகப் பயன்படுத்தப்படுகிறது.

  • தேய்மானம்: உயர் வெப்பநிலை மற்றும் உயர் அழுத்த தீர்வுகளைப் பயன்படுத்தி கார்பனில் இருந்து தங்கத்தை நீக்குகிறது
  • மின்னாற்பகுப்பு: கரைசலில் இருந்து கேத்தோட்களில் தங்கத்தை மீட்டெடுக்கிறது
  • மூடிய வளைய அமைப்பு: செயல்திறன் மற்றும் குறைந்த இழப்பை உறுதி செய்கிறது

இந்த அமைப்பு மீட்புத் திறனை மேம்படுத்துவதற்கும், செயல்பாட்டுச் செலவுகளைக் குறைப்பதற்கும் இன்றியமையாதது, இது நவீன தங்கச் செயலாக்க ஆலைகளில் ஒரு முக்கிய அங்கமாக அமைகிறது.


டிஸார்ப்ஷன் எலக்ட்ரோலைடிக் சிஸ்டம் எப்படி வேலை செய்கிறது

A இன் செயல்பாட்டுக் கொள்கைடிஸார்ப்ஷன் எலக்ட்ரோலைடிக் சிஸ்டம்இரண்டு முக்கிய நிலைகளை உள்ளடக்கியது:

  1. சிதைவு நிலை:தங்கத்தில் ஏற்றப்பட்ட கார்பன் சூடான கார சயனைடு கரைசலுடன் சிகிச்சையளிக்கப்பட்டு, தங்க அயனிகளை வெளியிடுகிறது.
  2. மின்னாற்பகுப்பு நிலை:தங்கம் நிறைந்த கரைசல் எலக்ட்ரோலைடிக் செல் வழியாக செல்கிறது, அங்கு தங்கம் எஃகு கம்பளி கத்தோட்களில் படிகிறது.

செயல்முறை உயர் செயல்திறனை உறுதி செய்கிறது மற்றும் தொடர்ச்சியான செயல்பாட்டை அனுமதிக்கிறது, அதனால்தான் நிறுவனங்களின் அமைப்புகள் விரும்புகின்றனEPICதொழில்துறை பயன்பாடுகளில் பரவலாக ஏற்றுக்கொள்ளப்படுகின்றன.


அமைப்பின் முக்கிய கூறுகள்

கூறு செயல்பாடு
சிதைவு நெடுவரிசை செயல்படுத்தப்பட்ட கார்பனை வைத்திருக்கிறது மற்றும் தங்கத்தை அகற்ற உதவுகிறது
மின்னாற்பகுப்பு செல் மின்னாற்பகுப்பு மூலம் தங்கத்தை மீட்டெடுக்கிறது
வெப்பப் பரிமாற்றி தேவையான வெப்பநிலையை பராமரிக்கிறது
வடிகட்டி அமைப்பு கரைசலில் இருந்து அசுத்தங்களை நீக்குகிறது
கட்டுப்பாட்டு அமைப்பு செயல்பாட்டை தானியங்குபடுத்துகிறது மற்றும் அளவுருக்களை கண்காணிக்கிறது

கணினி திறமையாகவும் சீராகவும் செயல்படுவதை உறுதி செய்வதில் ஒவ்வொரு கூறுகளும் முக்கிய பங்கு வகிக்கின்றன.


தொழில்நுட்ப நன்மைகள் மற்றும் அம்சங்கள்

  • அதிக தங்க மீட்பு விகிதம் (98% வரை)
  • குறைந்த ஆற்றல் நுகர்வு
  • குறைக்கப்பட்ட தொழிலாளர் செலவுகளுக்கு தானியங்கு செயல்பாடு
  • விண்வெளி செயல்திறனுக்கான சிறிய வடிவமைப்பு
  • குறைந்தபட்ச உமிழ்வுகளுடன் சுற்றுச்சூழல் நட்பு

உற்பத்தியாளர்கள் விரும்புகிறார்கள்EPICதொடர்ந்து இந்த அமைப்புகளை மேம்படுத்தும் தொழில்துறை தேவைகளை பூர்த்தி செய்து, சிறந்த செயல்திறன் மற்றும் நம்பகத்தன்மையை உறுதி செய்கிறது.


தங்க செயலாக்கத்தில் விண்ணப்பங்கள்

திடிஸார்ப்ஷன் எலக்ட்ரோலைடிக் சிஸ்டம்பரவலாகப் பயன்படுத்தப்படுகிறது:

  • தங்க சுரங்க ஆலைகள்
  • CIP (கார்பன்-இன்-பல்ப்) செயல்பாடுகள்
  • CIL (கார்பன்-இன்-லீச்) செயல்முறைகள்
  • தங்க தையல் மீட்பு

அதன் பன்முகத்தன்மை பெரிய அளவிலான தொழில்துறை சுரங்கம் மற்றும் செயல்திறன் மேம்பாடுகளை தேடும் சிறிய செயல்பாடுகளுக்கு ஏற்றதாக ஆக்குகிறது.


பாரம்பரிய முறைகளுடன் ஒப்பீடு

அம்சம் டிஸார்ப்ஷன் எலக்ட்ரோலைடிக் சிஸ்டம் பாரம்பரிய முறைகள்
திறன் உயர் மிதமான
ஆட்டோமேஷன் முழுமையாக தானியங்கி கையேடு அல்லது அரை தானியங்கி
செலவு குறைந்த நீண்ட கால செலவு அதிக செயல்பாட்டு செலவு
சுற்றுச்சூழல் பாதிப்பு குறைந்த உயர்ந்தது

தெளிவாக, நவீன அமைப்பு பாரம்பரிய தங்க மீட்பு நுட்பங்களை விட குறிப்பிடத்தக்க நன்மைகளை வழங்குகிறது.


வாங்குபவர்களுக்கான தேர்வு வழிகாட்டி

ஒரு தேர்ந்தெடுக்கும் போதுடிஸார்ப்ஷன் எலக்ட்ரோலைடிக் சிஸ்டம், பின்வரும் காரணிகளைக் கவனியுங்கள்:

  • செயலாக்க திறன்
  • ஆட்டோமேஷன் நிலை
  • ஆற்றல் திறன்
  • உற்பத்தியாளர் புகழ் (எ.கா., EPIC)
  • விற்பனைக்குப் பின் ஆதரவு

சரியான அமைப்பைத் தேர்ந்தெடுப்பது நீண்டகால செயல்பாட்டு வெற்றியையும் முதலீட்டில் அதிகபட்ச வருவாயையும் உறுதி செய்கிறது.


பராமரிப்பு மற்றும் செயல்பாட்டு குறிப்புகள்

  • பைப்லைன்கள் மற்றும் வால்வுகளை தவறாமல் ஆய்வு செய்யுங்கள்
  • வெப்பநிலை மற்றும் அழுத்த அளவைக் கண்காணிக்கவும்
  • எலக்ட்ரோலைடிக் செல்களை அவ்வப்போது சுத்தம் செய்யவும்
  • தேய்ந்து போன கூறுகளை உடனடியாக மாற்றவும்
  • உற்பத்தியாளர் வழிகாட்டுதல்களை கண்டிப்பாக பின்பற்றவும்

முறையான பராமரிப்பு கணினியின் ஆயுட்காலத்தை கணிசமாக நீட்டிக்கிறது மற்றும் நிலையான செயல்திறனை உறுதி செய்கிறது.


அடிக்கடி கேட்கப்படும் கேள்விகள்

1. டிஸார்ப்ஷன் எலக்ட்ரோலைடிக் சிஸ்டத்தின் முக்கிய நோக்கம் என்ன?

அதன் முக்கிய நோக்கம் செயல்படுத்தப்பட்ட கார்பனில் இருந்து திறமையாக தங்கத்தை பிரித்தெடுத்து மீட்டெடுப்பதாகும்.

2. அமைப்பு எவ்வளவு திறமையானது?

பெரும்பாலான அமைப்புகள் இயக்க நிலைமைகளைப் பொறுத்து 95% க்கும் அதிகமான தங்க மீட்பு விகிதத்தை அடைகின்றன.

3. அமைப்பு சுற்றுச்சூழலுக்கு உகந்ததா?

ஆம், நவீன அமைப்புகள் உமிழ்வைக் குறைக்கவும் இரசாயனக் கழிவுகளைக் குறைக்கவும் வடிவமைக்கப்பட்டுள்ளன.

4. தனிப்பயனாக்க முடியுமா?

ஆம், EPIC போன்ற நிறுவனங்கள் செயலாக்கத் தேவைகளின் அடிப்படையில் தனிப்பயனாக்கக்கூடிய தீர்வுகளை வழங்குகின்றன.

5. என்ன தொழில்கள் இந்த அமைப்பைப் பயன்படுத்துகின்றன?

முதன்மையாக தங்க சுரங்க தொழில், ஆனால் விலைமதிப்பற்ற உலோக மீட்பு பயன்பாடுகளில்.


முடிவுரை

திடிஸார்ப்ஷன் எலக்ட்ரோலைடிக் சிஸ்டம்ஒப்பிடமுடியாத செயல்திறன், நம்பகத்தன்மை மற்றும் சுற்றுச்சூழல் செயல்திறனை வழங்கும் தங்க மீட்பு தொழில்நுட்பத்தில் ஒரு திருப்புமுனையை பிரதிபலிக்கிறது. போன்ற தொழில்துறை தலைவர்களின் தொடர்ச்சியான முன்னேற்றங்களுடன்EPIC, இந்த அமைப்பு நவீன சுரங்க நடவடிக்கைகளுக்கு பெருகிய முறையில் அத்தியாவசியமாகி வருகிறது. உங்கள் தங்கம் பிரித்தெடுக்கும் செயல்முறையை மேம்படுத்தவும், லாபத்தை மேம்படுத்தவும் நீங்கள் விரும்பினால், உயர்தர அமைப்பில் முதலீடு செய்வது ஒரு சிறந்த தேர்வாகும்.எங்களை தொடர்பு கொள்ளவும்உங்கள் தேவைகளுக்கு ஏற்றவாறு தீர்வுகளை நாங்கள் எவ்வாறு வழங்குவது என்பது பற்றி மேலும் அறிய இன்று.

விசாரணையை அனுப்பு

X
உங்களுக்கு சிறந்த உலாவல் அனுபவத்தை வழங்கவும், தள போக்குவரத்தை பகுப்பாய்வு செய்யவும் மற்றும் உள்ளடக்கத்தைத் தனிப்பயனாக்கவும் நாங்கள் குக்கீகளைப் பயன்படுத்துகிறோம். இந்தத் தளத்தைப் பயன்படுத்துவதன் மூலம், எங்கள் குக்கீகளைப் பயன்படுத்துவதை ஒப்புக்கொள்கிறீர்கள். தனியுரிமைக் கொள்கை