English
Español
Português
русский
Français
日本語
Deutsch
tiếng Việt
Italiano
Nederlands
ภาษาไทย
Polski
한국어
Svenska
magyar
Malay
বাংলা ভাষার
Dansk
Suomi
हिन्दी
Pilipino
Türkçe
Gaeilge
العربية
Indonesia
Norsk
تمل
český
ελληνικά
український
Javanese
فارسی
தமிழ்
తెలుగు
नेपाली
Burmese
български
ລາວ
Latine
Қазақша
Euskal
Azərbaycan
Slovenský jazyk
Македонски
Lietuvos
Eesti Keel
Română
Slovenski
मराठी
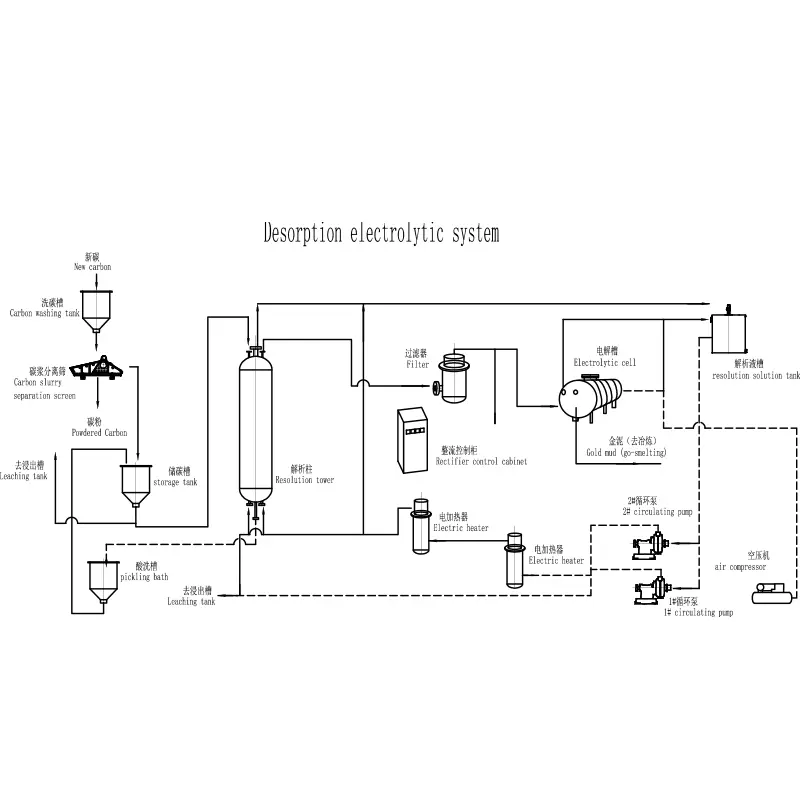
Srpski језик டிசார்ப்ஷன் எலக்ட்ரோலைடிக் சிஸ்டம் என்பது நவீன தங்கம் பிரித்தெடுப்பதில் ஒரு முக்கியமான தொழில்நுட்பமாகும், குறிப்பாக கார்பன்-இன்-பல்ப் (சிஐபி) மற்றும் கார்பன்-இன்-லீச் (சிஐஎல்) செயல்முறைகளில். கணினி எவ்வாறு செயல்படுகிறது, அதன் கூறுகள், நன்மைகள் மற்றும் திறமையான தங்கத்தை மீட்டெடுப்பதில் இது ஏன் ஒரு தர......
மேலும் படிக்கநீரில் மூழ்கிய சுழல் வகைப்படுத்தி கனிம செயலாக்கத்தில் ஒரு முக்கிய அங்கமாகும், இது பல்வேறு தொழில்களில் துகள்களின் பிரிப்பு மற்றும் வகைப்படுத்தலை மேம்படுத்துகிறது. இந்தக் கட்டுரையில், நீரில் மூழ்கிய சுழல் வகைப்படுத்திகளின் செயல்பாடு, நன்மைகள் மற்றும் பயன்பாடுகள் மற்றும் EPIC இன் தீர்வுகள் சுரங்கத் தொழ......
மேலும் படிக்ககசிவு கிளர்ச்சி தொட்டிகள் சுரங்கத் தொழிலில் இன்றியமையாத உபகரணமாகும், குறிப்பாக கசிவு செயல்முறைகள் மூலம் தாதுக்களில் இருந்து மதிப்புமிக்க உலோகங்களைப் பிரித்தெடுப்பதற்கு. இந்த வலைப்பதிவில், சுரங்கத் தொழிலில் பயன்படுத்தப்படும் பல்வேறு வகையான கசிவு கிளர்ச்சி தொட்டிகளின் முக்கியத்துவம், செயல்பாட்டுக் கொள......
மேலும் படிக்கநீரில் மூழ்கிய சுழல் வகைப்படுத்தி என்பது கனிம செயலாக்கத்தில் ஒரு முக்கியமான உபகரணமாகும், இது ஈர்ப்பு வண்டல் மற்றும் இயந்திர இயக்கம் மூலம் அளவு மற்றும் அடர்த்தியின் அடிப்படையில் துகள்களை பிரிக்க வடிவமைக்கப்பட்டுள்ளது. சுரங்க, மணல் கழுவுதல் மற்றும் தொழில்துறை வகைப்பாடு அமைப்புகளில் பரவலாகப் பயன்படுத்த......
மேலும் படிக்கசுற்றறிக்கை உயர் விகித சாய்ந்த தட்டு தடிப்பான் (CHRIPT) என்பது சுரங்க மற்றும் கனிம செயலாக்கத் தொழிலில் பயன்படுத்தப்படும் ஒரு முக்கிய உபகரணமாகும். திரவங்களிலிருந்து திடப்பொருட்களை திறம்பட பிரிக்கும் திறனுக்காக அறியப்பட்ட இந்த தடிப்பாக்கி, கழிவுநீர் சுத்திகரிப்பு, கனிம பதப்படுத்துதல் மற்றும் இரசாயன தொ......
மேலும் படிக்கஉருளை நுரை மிதக்கும் செல் அதன் உகந்த வடிவமைப்பு, மேம்படுத்தப்பட்ட மீட்பு விகிதங்கள் மற்றும் ஆற்றல்-திறனுள்ள செயல்திறன் ஆகியவற்றின் மூலம் கனிம செயலாக்கத்தில் புரட்சியை ஏற்படுத்துகிறது. இந்த விரிவான வழிகாட்டியானது, பாரம்பரிய மாதிரிகளிலிருந்து உருளை வடிவ மிதவை செல்கள் எவ்வாறு வேறுபடுகின்றன, அவற்றின் செ......
மேலும் படிக்க