பற்றாக்குறை மின்னாற்பகுப்பு அமைப்பு
  • பற்றாக்குறை மின்னாற்பகுப்பு அமைப்பு பற்றாக்குறை மின்னாற்பகுப்பு அமைப்பு

பற்றாக்குறை மின்னாற்பகுப்பு அமைப்பு

தொழில்முறை உற்பத்தியாளர்களில் ஒருவராக, காவியம் உங்களுக்கு உயர்தர வெறிச்சோடி மின்னாற்பகுப்பு அமைப்பை வழங்க விரும்புகிறது. விற்பனைக்குப் பிறகு சிறந்த சேவையையும் சரியான நேரத்தில் விநியோகத்தையும் நாங்கள் உங்களுக்கு வழங்குவோம்.

விசாரணையை அனுப்பு

தயாரிப்பு விளக்கம்

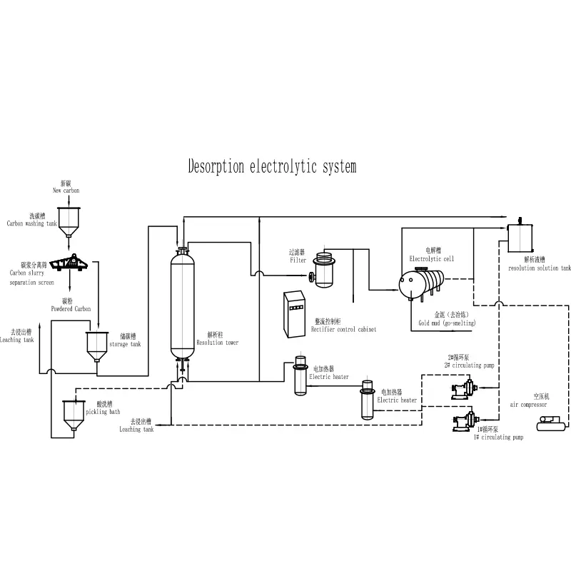
ஒரு திறமையான உற்பத்தியாளராக இருப்பதால், காவியமானது உங்களுக்கு சிறந்த வெறிச்சோடி மின்னாற்பகுப்பு அமைப்பை வழங்குவதை நோக்கமாகக் கொண்டுள்ளது. விற்பனைக்குப் பிறகு சிறந்த ஆதரவு மற்றும் உடனடி விநியோகத்தை உங்களுக்கு வழங்குவதாக நாங்கள் உறுதியளிக்கிறோம். அனானின் செயல்படுத்தப்பட்ட கார்பன் உறிஞ்சுதல் வெறிச்சோடி அமைப்பால் மிகவும் எளிதாகச் சேர்ப்பதில், இதனால் Au (Cn) 2 "மாற்றீடு, தங்கத்தின் சிதைவை உணருங்கள். தங்க-ஏற்றப்பட்ட கார்பனின் சிதைவால் பெறப்பட்ட திரவம் திட தங்கத்தைப் பெற அயனியாக்கம் மூலம் மீட்கப்படுகிறது. உபகரணங்கள் குணாதிசயங்கள்

1, அதிக வெப்பநிலை, உயர் அழுத்தம், சயனைடு இல்லை, வெறிச்சோடி தானியங்கி கட்டுப்பாடு, அதிக மூட்டையுடன், வில் நுகர்வு, வேகமாக

பண்புகள்: 

A. உயர் செயல்திறன்: தங்கம் ஏற்றப்பட்ட கார்பன் தரம் 3000 கிராம்/டி எட்டும்போது, ​​வெறிச்சோடி விகிதம் 96%க்கும் அதிகமாக அடையலாம், மேலும் மோசமான கார்பன் தரத்தை வழக்கமான வெறிச்சோடி மின்னாற்பகுப்பை ஒப்பிடும்போது 3-4 மடங்கு மாற்றியமைக்க முடியும்

சாதனம்:

பி. 

3 முறை: சி.

2. சயனைடு இல்லை: டெசார்ப்ஷன் கரைசலை சோடியம் சயனைடு சேர்க்க தேவையில்லை, குறைந்த செலவு, மாசுபாடு இல்லை:

3, உயர் தர தங்க மண், மின்னாற்பகுப்பு மாற்ற வேண்டிய அவசியமில்லை, எளிதான பிரித்தெடுத்தல்;

4, தானியங்கி கட்டுப்பாடு: திரவ நிலை கட்டுப்பாட்டு அமைப்பு, வெப்பநிலை கட்டுப்பாட்டு அமைப்பு மற்றும் தானியங்கி கட்டுப்பாட்டு அமைப்பு ஆகியவற்றை சிறப்பாக அமைக்கவும்;

5.

சூடான குறிச்சொற்கள்: பற்றாக்குறை மின்னாற்பகுப்பு அமைப்பு
விசாரணையை அனுப்பு
தயவுசெய்து உங்கள் விசாரணையை கீழே உள்ள படிவத்தில் கொடுக்க தயங்க வேண்டாம். நாங்கள் உங்களுக்கு 24 மணி நேரத்தில் பதிலளிப்போம்.
X
உங்களுக்கு சிறந்த உலாவல் அனுபவத்தை வழங்கவும், தள போக்குவரத்தை பகுப்பாய்வு செய்யவும் மற்றும் உள்ளடக்கத்தைத் தனிப்பயனாக்கவும் நாங்கள் குக்கீகளைப் பயன்படுத்துகிறோம். இந்தத் தளத்தைப் பயன்படுத்துவதன் மூலம், எங்கள் குக்கீகளைப் பயன்படுத்துவதை ஒப்புக்கொள்கிறீர்கள். தனியுரிமைக் கொள்கை