சயனைடிங் கருவி தங்கம் மீட்பு மற்றும் தள பாதுகாப்பை எவ்வாறு மேம்படுத்துகிறது?

சயனைடேஷன் "பயனுள்ளது, ஆனால் மன அழுத்தம்" என நீங்கள் எப்போதாவது உணர்ந்திருந்தால், நீங்கள் அதை கற்பனை செய்யவில்லை. வேதியியல் வேலை செய்கிறது-இருப்பினும் அன்றாட யதார்த்தம் குழப்பமாக இருக்கலாம்: மாறி தாது, வினைப்பொருளின் அதிகப்படியான செலவு, கார்பன் இழப்புகள், எதிர்பாராத வேலையில்லா நேரம் மற்றும் பாதுகாப்பாகவும் தொடர்ந்தும் செயல்படுவதற்கான நிலையான அழுத்தம். இந்த கட்டுரை என்ன என்பதை உடைக்கிறதுசயனைடிங் உபகரணங்கள்உண்மையில் உங்களுக்காகச் செய்ய வேண்டும், நீங்கள் வாங்குவதற்கு முன் என்ன கேட்க வேண்டும் மற்றும் மிகவும் விலையுயர்ந்த தவறுகளைத் தவிர்ப்பது எப்படி.


சுருக்கம்

நவீனமானதுசயனைடிங் உபகரணங்கள்இது வெறும் தொட்டிகளின் தொகுப்பு அல்ல - இது கசிவு நிலைகளைக் கட்டுப்படுத்தவும், மீட்டெடுப்பை நிலைப்படுத்தவும், வினைத்திறன் கழிவுகளைக் குறைக்கவும் மற்றும் சயனைடு கையாளுதலை கணிக்கக்கூடியதாக வைத்திருக்கவும் வடிவமைக்கப்பட்ட இணைக்கப்பட்ட அமைப்பாகும். வாங்குபவர்கள் பொதுவாக நான்கு வலி புள்ளிகளுடன் போராடுகிறார்கள்: சீரற்ற மீட்பு, அதிக இயக்க செலவு, பலவீனமான பாதுகாப்பு கட்டுப்பாடுகள் மற்றும் பராமரிப்பு தலைவலி. கீழே, சயனைடிங் தொகுதிகள் (கசிவு, உறிஞ்சுதல், தேய்மானம்/எலக்ட்ரோவின்னிங், டிடாக்ஸ் மற்றும் இன்ஸ்ட்ரூமென்டேஷன்), தேர்வு அணி, ஆணையிடுதல் குறிப்புகள் மற்றும் சப்ளையர் உரையாடல்களின் போது நீங்கள் பயன்படுத்தக்கூடிய FAQ பகுதி ஆகியவற்றின் நடைமுறை, தாவர-தளக் காட்சியைப் பெறுவீர்கள்.


பொருளடக்கம்


ஒரு பார்வையில் அவுட்லைன்

  • "எனக்கு சயனைடேஷன் தேவை" என்பதை முழுமையான, கட்டுப்படுத்தக்கூடிய உபகரண நோக்கமாக மொழிபெயர்க்கவும்.
  • எந்த தொகுதி உங்கள் இழப்புகளை உண்டாக்குகிறது என்பதைக் கண்டறியவும் (மீட்பு, மறுஉருவாக்கம், கார்பன் அல்லது வேலையில்லா நேரம்).
  • உங்கள் தாது வகை மற்றும் கட்டுப்பாடுகளுக்கான தீர்வுகளை ஒப்பிட எளிய மேட்ரிக்ஸைப் பயன்படுத்தவும்.
  • பலவீனமான வடிவமைப்புகளை விரைவாக வெளிப்படுத்தும் சரிபார்ப்புப் பட்டியலுடன் சப்ளையர் சந்திப்புகளுக்குச் செல்லுங்கள்.

உண்மையான வாங்குபவர் வலி புள்ளிகள்

மக்கள் ஷாப்பிங் செய்யும்போதுசயனைடிங் உபகரணங்கள், அவர்கள் அடிக்கடி "எனக்கு அதிக மீட்பு தேவை" என்று கூறுகிறார்கள். அவர்கள் வழக்கமாக என்ன அர்த்தம்: "தாது மாறினாலும், ஆபரேட்டர்கள் சுழலும் போதும், தளம் தொலைவில் இருந்தாலும் கூட எனக்கு மீட்பு தேவை." மீண்டும் மீண்டும் தோன்றும் வலி புள்ளிகள் இங்கே:

  • மீட்பு ஊசலாடுகிறதுதாது மாறுபாடு, அரைக்கும் பிரச்சினைகள், ஆக்ஸிஜன் வரம்புகள் அல்லது மோசமான pH கட்டுப்பாடு ஆகியவற்றால் ஏற்படுகிறது.
  • ரீஜென்ட் செலவு க்ரீப்சயனைடு அல்லது சுண்ணாம்பு "பாதுகாப்பாக இருப்பதற்கு" அளவுக்கு அதிகமாக உட்கொள்வதிலிருந்து.
  • கார்பன் பிரச்சனைகள்கறைபடிதல், தேய்வு இழப்பு அல்லது மோசமான உறிஞ்சுதல் இயக்கவியல் போன்றவை.
  • வேலையில்லா நேரம்பம்ப்/வால்வு தோல்விகள், சிராய்ப்பு குழம்பு தேய்மானம் அல்லது அணுக முடியாத தளவமைப்புகளிலிருந்து.
  • பாதுகாப்பு அழுத்தம்சயனைடு சேமிப்பு, மருந்தளவு மற்றும் அவசரகால பதில் தயார்நிலையைச் சுற்றி.

நல்ல உபகரண வடிவமைப்பு அனைத்து சிக்கலையும் அகற்றாது, ஆனால் அது யூகத்தை அகற்ற வேண்டும்.


"சயனைடிங் உபகரணங்களில்" என்ன அடங்கும்

Cyaniding Equipment

குறைந்தபட்சம்,சயனைடிங் உபகரணங்கள்இந்த செயல்பாடுகளை ஆதரிக்கும் ஒரு அமைப்பாக புரிந்து கொள்ள வேண்டும்:

  • கசிவு: கலைப்பதற்கு நேரம், கலவை மற்றும் வேதியியல் கட்டுப்பாட்டை வழங்குதல்.
  • தங்கம் பிடிப்பு: செயல்படுத்தப்பட்ட கார்பன் (சிஐபி/சிஐஎல்) அல்லது மழைப்பொழிவு வழிகளில் உறிஞ்சுதல்.
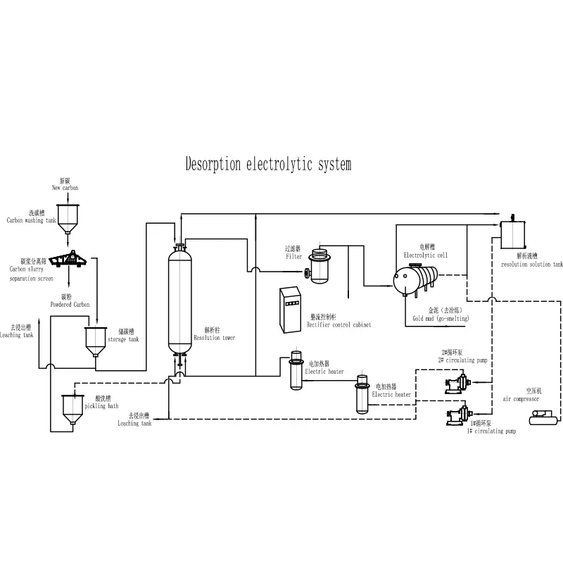
  • தங்கம் மீட்பு: desorption மற்றும் electrowinning (அல்லது மாற்று மீட்பு சுற்றுகள்).
  • டிடாக்ஸ் மற்றும் டெய்லிங்ஸ் கையாளுதல்: மீதமுள்ள சயனைடை ஏற்றுக்கொள்ளக்கூடிய அளவிற்கு குறைக்கவும்.
  • கருவி மற்றும் கட்டுப்பாடு: pH, கரைந்த ஆக்ஸிஜன், ஓட்டம் மற்றும் அளவை அளவிடுதல் மற்றும் நிலைப்படுத்துதல்.

ஒரு சப்ளையர் "டாங்கிகள்" பற்றி மட்டுமே பேசினால், முழு ஓட்டம் மற்றும் கட்டுப்பாட்டு புள்ளிகளை வரையறுக்க அவர்களை தள்ளுங்கள். ஆய்வக நிலைமைகளில் சயனைடேஷன் மன்னிக்கும்; குழப்பமான கள நிலைகளில் அது மன்னிக்க முடியாது.


தாதுவிலிருந்து டோரே வரையிலான தெளிவான செயல்முறை வரைபடம்

ஒவ்வொரு தாவரமும் வேறுபட்டாலும், பெரும்பாலான சயனைடேஷன் பாதைகள் அடையாளம் காணக்கூடிய முதுகெலும்பைப் பின்பற்றுகின்றன. முன்மொழியப்பட்ட தொகுப்பு முழுமையாக உள்ளதா என்பதைச் சரிபார்ப்பதற்கு இந்த வரைபடத்தைப் பயன்படுத்தவும்:

மேடை எதை அடைய வேண்டும் வழக்கமான "மறைக்கப்பட்ட" ஆபத்து
முன் சிகிச்சை (தேவைக்கேற்ப) தங்கத்தை அணுகக்கூடியதாக மாற்றவும் மற்றும் சயனைடு நுகர்வு கூர்மைகளைத் தடுக்கவும் ப்ரீக்-ராப்பிங், உயர் தாமிரம் அல்லது எதிர்வினை சல்பைடுகளைப் புறக்கணித்தல்
கசிவு நிலையான கலவை, கட்டுப்படுத்தப்பட்ட pH மற்றும் போதுமான ஆக்ஸிஜன் இறந்த மண்டலங்கள், மோசமான ஆக்ஸிஜன் பரிமாற்றம், பலவீனமான சுண்ணாம்பு அமைப்பிலிருந்து ஒழுங்கற்ற pH
உறிஞ்சுதல் (சிஐஎல்/சிஐபி) கரைந்த தங்கத்தை திறமையாகப் பிடிக்கவும் தவறான கார்பன் அளவு/பரிமாற்ற முறை; கார்பன் இழப்புகள்
நீக்குதல் / சிதைவு கார்பனில் இருந்து தங்கத்தை நம்பத்தகுந்த முறையில் அகற்றவும் சீரற்ற வெப்பமாக்கல்/ஓட்டம் குறைந்த அகற்றும் திறனுக்கு வழிவகுக்கிறது
எலக்ட்ரோவின்னிங் / ஸ்மெல்டிங் டோரேவை மீட்டெடுத்து உற்பத்தி செய்யவும் குறைவான செல்கள், மோசமான எலக்ட்ரோலைட் மேலாண்மை, கசடு கையாளுதல் சிக்கல்கள்
நச்சு நீக்கம் எஞ்சிய சயனைடை வெளியேற்றுவதற்கு முன் குறைக்கவும் செயல்திறன் மாறுபாடு அல்லது டைலிங் வேதியியல் ஆகியவற்றுடன் வடிவமைப்பு பொருந்தவில்லை

முக்கிய தொகுதிகள் மற்றும் என்ன சரிபார்க்க வேண்டும்

1) கசிவு தொட்டிகள் மற்றும் கிளர்ச்சி

  • கலவை வடிவமைப்பு உங்கள் குழம்பு அடர்த்தி மற்றும் சிராய்ப்புத்தன்மைக்கு ஏற்றதா?
  • தாது மாறுபாட்டின் கீழ் கணினி நிலையான pH ஐ பராமரிக்க முடியுமா?
  • உங்கள் தளத்தில் ஆக்ஸிஜன் சேர்ப்பு நடைமுறையில் உள்ளதா (மற்றும் வடிவமைப்பில் ஆக்ஸிஜன் பரிமாற்றம் கருதப்படுகிறதா)?
  • தளவமைப்பு தூண்டிகள், லைனர்கள் மற்றும் தாங்கு உருளைகளை எளிதாக ஆய்வு செய்ய அனுமதிக்கிறதா?

2) கார்பன் உறிஞ்சுதல் மற்றும் பரிமாற்றம்

  • கார்பன் எடுத்துச் செல்வதைத் தடுக்கும் அளவுக்கு இடைநிலைத் திரைகள் வலுவாக உள்ளதா?
  • உடைப்பு மற்றும் இழப்பைக் குறைக்க கார்பன் பரிமாற்றம் வடிவமைக்கப்பட்டதா?
  • துப்புரவு மற்றும் கார்பன் சரக்கு கட்டுப்பாட்டுக்கு வடிவமைப்பு நட்புடன் உள்ளதா?

3) டிஸார்ப்ஷன் மற்றும் எலக்ட்ரோவின்னிங்

  • எலுஷன் சர்க்யூட் உங்கள் கார்பன் ஏற்றுதல் எதிர்பார்ப்புகளுடன் பொருந்துகிறதா?
  • வெப்பமாக்கல் மற்றும் ஓட்டக் கட்டுப்பாடுகள் நிலையானதா ("ஆபரேட்டர் சார்ந்தது" அல்ல)?
  • கசடு கையாளுதல் திட்டமிடப்பட்டதா, மேம்படுத்தப்படவில்லையா?

4) சயனைடு அளவு மற்றும் அளவீடு

  • டோசிங் இன்டர்லாக்ஸுடன் தானியங்கியா அல்லது முற்றிலும் கைமுறையா?
  • உண்மையான சுரங்க சூழலில் அளவுத்திருத்தம் மற்றும் சென்சார் பராமரிப்புக்கான திட்டம் என்ன?
  • மாதிரிப் புள்ளிகள் பாதுகாப்பானதா மற்றும் நன்கு நிலைநிறுத்தப்பட்டதா, அல்லது பின் சிந்தனையா?

5) டிடாக்ஸ்

  • டிடாக்ஸ் வடிவமைப்பு உங்கள் வெளியேற்ற இலக்குகள் மற்றும் டெய்லிங் வேதியியல் அடிப்படையில் உள்ளதா?
  • பணிநிறுத்தத்தை கட்டாயப்படுத்தாமல் குறுகிய கால ஸ்பைக்குகளை இது கையாள முடியுமா?

நடைமுறை குறிப்பு:காகிதத்தில் மலிவானதாகத் தோன்றும் ஒரு முன்மொழிவு, கூடுதல் சயனைடு, கூடுதல் சுண்ணாம்பு, கூடுதல் பராமரிப்பு உழைப்பு மற்றும் அதிக "வீர" ஆபரேட்டர் நடத்தை ஆகியவற்றில் செலவைத் தள்ளுகிறது. பில் பின்னர் வரும்.


அளவு மற்றும் விவரக்குறிப்பு அடிப்படைகள்

உங்கள் பட்ஜெட்டைப் பாதுகாக்கும் அளவு கேள்விகளைக் கேட்க நீங்கள் உலோகவியலாளராக இருக்க வேண்டியதில்லை. க்குசயனைடிங் உபகரணங்கள், முக்கிய அளவு தர்க்கம் செயல்திறன், வசிக்கும் நேரம் மற்றும் வெகுஜன பரிமாற்றத்தைச் சுற்றி வருகிறது. எந்தவொரு இறுதி வடிவமைப்பையும் ஏற்றுக்கொள்வதற்கு முன், இந்த உள்ளீடுகள் வெளிப்படையாகக் கூறப்பட்டுள்ளதா என்பதை உறுதிப்படுத்தவும்:

  • வடிவமைப்பு செயல்திறன்(சராசரி மற்றும் உச்சம், மேலும் எதிர்பார்க்கப்படும் பருவகால மாறுபாடு).
  • இலக்கு அரைக்கும் அளவுமில் கரடுமுரடானதாக இருந்தால் என்ன நடக்கும்.
  • லீச் வசிக்கும் நேரம்மற்றும் அது சோதனைகள் அல்லது அனுமானங்களின் அடிப்படையிலானதா.
  • pH மற்றும் காரத்தன்மை திட்டம்(சுண்ணாம்பு தயாரித்தல் மற்றும் வீரியம் ஸ்திரத்தன்மை உட்பட).
  • ஆக்ஸிஜன் மூலோபாயம்(காற்று, ஆக்ஸிஜன் அல்லது எதுவுமில்லை) மற்றும் இயக்கவியலில் எதிர்பார்க்கப்படும் தாக்கம்.
  • கார்பன் இருப்பு(எவ்வளவு கார்பன், அது எங்கு அமர்ந்திருக்கிறது, எப்படி கண்காணிக்கப்படுகிறது).

ஒரு சப்ளையர் இதை எளிய மொழியில் விளக்க முடியாவிட்டால், அதை ஆபத்து சமிக்ஞையாகக் கருதுங்கள்-தொழில்நுட்பம் அல்ல.


பாதுகாப்பு மற்றும் சயனைடு கட்டுப்பாடு உண்மையில் நிலைத்து நிற்கிறது

பாதுகாப்பு என்பது சுவரில் ஒட்டப்பட்ட சுவரொட்டி அல்ல. சயனைடேஷன் மூலம், இது உடல் வடிவமைப்பு மற்றும் வழக்கமான கட்டுப்பாட்டில் கட்டமைக்கப்பட்டுள்ளது. வலுவானசயனைடிங் உபகரணங்கள்தொகுப்புகள் பொதுவாக அடங்கும்:

  • சேமிப்பு மற்றும் பரிமாற்றம் கொண்டதுதெளிவான கசிவு பாதைகள் மற்றும் பிணைப்பு தர்க்கத்துடன்.
  • இன்டர்லாக் டோசிங்எனவே முக்கிய நிபந்தனைகளை பூர்த்தி செய்யாத போது சயனைடு சேர்க்க முடியாது.
  • தெளிவான மாதிரி வடிவமைப்புஇது வழக்கமான சோதனைகளின் போது வெளிப்படும் அபாயத்தைக் குறைக்கிறது.
  • அவசர தயார்நிலைஇயக்க செயல்முறை தொகுப்பின் ஒரு பகுதியாக, கூடுதல் ஆவணம் அல்ல.

வாங்குபவரின் பார்வையில், உங்கள் வேலை எளிதானது: மக்கள் கணினியுடன் எவ்வாறு தொடர்பு கொள்கிறார்கள் என்பதைக் காட்ட முன்மொழிவை கட்டாயப்படுத்துங்கள். அவர்கள் எங்கே நிற்கிறார்கள்? அவர்கள் எதைத் தொடுகிறார்கள்? உபகரணங்களை எவ்வாறு தனிமைப்படுத்துகிறார்கள்? அதிகாலை 2 மணிக்கு பம்ப் சீல் தோல்விக்கு அவர்கள் எவ்வாறு பதிலளிப்பார்கள்?


இயக்கச் செலவுகள் உண்மையில் எங்கிருந்து வருகின்றன

அவுன்ஸ் ஒன்றுக்கு உங்கள் விலை மேல்நோக்கி நகர்கிறது என்றால், அது பொதுவாக ஒரு வியத்தகு தோல்வி அல்ல - இது கணினியில் சிறிய கசிவுகள் கூட்டும். சயனைடேஷனில், மிகவும் பொதுவான செலவு இயக்கிகள்:

  • சயனைடு நுகர்வுஎதிர்வினை தாதுக்கள், அதிகப்படியான அளவு பழக்கம் அல்லது மோசமான கட்டுப்பாட்டு சுழற்சிகளால் இயக்கப்படுகிறது.
  • சுண்ணாம்பு நுகர்வுpH கட்டுப்பாடு நிலையற்றதாக இருக்கும் போது அல்லது குழம்பு வேதியியல் நன்கு புரிந்து கொள்ளப்படவில்லை.
  • கார்பன் இழப்புதேய்மானம், திரை சிக்கல்கள் அல்லது மோசமான பரிமாற்ற வடிவமைப்பு மூலம்.
  • சக்தி மற்றும் பராமரிப்புஅதிக கிளர்ச்சி, குறைவாக வடிவமைக்கப்பட்ட உடைகள் பாகங்கள் மற்றும் சேவைக்கு கடினமான தளவமைப்புகள் ஆகியவற்றிலிருந்து.
அறிகுறி சாத்தியமான மூல காரணம் உதவும் உபகரண அம்சம்
தாது மாறும் போது மீட்பு குறைகிறது pH/DO உறுதியற்ற தன்மை; மோசமான கலவை; போதுமான குடியிருப்பு நேரம் வலுவான கிளர்ச்சி, சிறந்த கட்டுப்பாட்டு கருவி, நெகிழ்வான தொட்டி திறன்
சயனைடு செலவினம் தொடர்ந்து அதிகரித்து வருகிறது அதிகப்படியான அளவு; அதிக சயனைடு உட்கொள்ளும் தாதுக்கள்; மோசமான அளவீடு கட்டுப்படுத்தப்பட்ட டோசிங், நம்பகமான மாதிரி புள்ளிகள், சிறந்த இன்டர்லாக்ஸ்
கார்பன் இருப்பு "மர்மமாக" சுருங்குகிறது திரை தோல்விகள்; பரிமாற்ற இழப்புகள்; தேய்வு நீடித்த இடைநிலை திரைகள், மென்மையான பரிமாற்ற வடிவமைப்பு, தெளிவான கார்பன் கணக்கியல்
அடிக்கடி பணிநிறுத்தம் உடைகள் பாகங்கள், பம்ப் சீல், அணுகல் சிக்கல்கள் அணிய-எதிர்ப்பு பொருட்கள், பராமரிப்பு அணுகல், தரப்படுத்தப்பட்ட உதிரிபாகங்கள்

நம்பகத்தன்மை மற்றும் பராமரிப்பு வடிவமைப்பு

Cyaniding Equipment

சயனைடேஷன் சர்க்யூட் "முழுமையானதாக" தோன்றலாம் மற்றும் பராமரிப்பு வடிவமைக்கப்படவில்லை என்றால் நம்பகத்தன்மையற்றதாக இருக்கும். சப்ளையர் எப்படி அணுகுகிறார் என்று கேளுங்கள்:

  • பொருட்கள் தேர்வுசிராய்ப்பு குழம்பு மண்டலங்கள் மற்றும் சயனைடு-தொடர்பு மண்டலங்களுக்கு.
  • அணுகல்திரைகள், தூண்டிகள், லைனர்கள், பம்புகள் மற்றும் கருவிகள்.
  • உதிரி பாகங்கள் மூலோபாயம்இது உங்கள் தளத்தின் யதார்த்தத்துடன் பொருந்துகிறது (முன்னணி நேரம், தளவாடங்கள், ஸ்டாக்கிங்).
  • தரப்படுத்தல்தனிப்பட்ட உடைகள் எண்ணிக்கை குறைக்க.

ரிமோட் ஆபரேஷன்களில், "பராமரிப்பதற்கு எளிதானது" என்பது "காகிதத்தில் சற்று அதிக திறன் கொண்டதாக" இருக்கும்.


நீங்கள் கேட்க வேண்டிய சப்ளையர் கேள்விகள்

கூட்டங்களில் இந்த சரிபார்ப்புப் பட்டியலைப் பயன்படுத்தவும். உரையாடலை ஒரு விவாதமாக மாற்றாமல், பலவீனமான முன்மொழிவுகளை விரைவாக வெளிப்படுத்தும் வகையில் இது வடிவமைக்கப்பட்டுள்ளது.

  • எந்த தாது அபாயங்கள் நீக்கப்படுகின்றன, எதற்காக தீவிரமாக வடிவமைக்கப்பட்டுள்ளன?
  • வசிக்கும் நேரம், pH வரம்பு மற்றும் ஆக்ஸிஜன் மூலோபாயத்திற்கான வடிவமைப்பு உள்ளீடுகள் என்ன?
  • சயனைடு அளவு எவ்வாறு கட்டுப்படுத்தப்படுகிறது, சென்சார் செயலிழப்பின் போது என்ன நடக்கிறது?
  • வழக்கமான செயல்பாடுகளில் கார்பன் இழப்பு எவ்வாறு தடுக்கப்படுகிறது மற்றும் அளவிடப்படுகிறது?
  • திரைகள், கிளர்ச்சியாளர்கள் மற்றும் பம்புகளுக்கான பராமரிப்பு அணுகல் திட்டம் என்ன?
  • ஒரு ஷிப்டுக்கு பரிந்துரைக்கப்படும் ஆபரேட்டர் காசோலைகள் என்ன, அவை எவ்வாறு பாதுகாப்பாக வைக்கப்படுகின்றன?
  • என்ன கமிஷன் ஆதரவு சேர்க்கப்பட்டுள்ளது, மற்றும் என்ன ஆபரேட்டர் பயிற்சி வழங்கப்படுகிறது?

நீங்கள் விற்பனையாளர்களை மதிப்பிடுகிறீர்கள் என்றால், முழு சயனைடேஷன் தொகுப்பை வழங்கக்கூடிய மற்றும் ஒருங்கிணைப்பு விவரங்களை ஆதரிக்கும் ஒரு உற்பத்தியாளருடன் பேசுவதற்கு இது உதவும். உதாரணமாக, Qingdao EPIC மைனிங் மெஷினரி கோ., லிமிடெட்.சுரங்க செயலாக்க உபகரண தீர்வுகளை வழங்குகிறது, அங்கு சயனைடேஷன் தொகுப்புகள் அமைப்புகளாகக் கருதப்படுகின்றன-கசிவு, உறிஞ்சுதல், மீட்பு மற்றும் கட்டுப்பாடு-துண்டிக்கப்பட்ட தொட்டிகளின் தொகுப்பைக் காட்டிலும்.


அடிக்கடி கேட்கப்படும் கேள்விகள்

சயனைடிங் உபகரணங்களை அடிப்படையை விட "நவீனமாக" மாற்றுவது எது?

நவீன வடிவமைப்புகள் கட்டுப்படுத்துதல் மற்றும் மீண்டும் மீண்டும் செய்யக்கூடிய தன்மை ஆகியவற்றில் கவனம் செலுத்துகின்றன: நிலையான அளவு, நம்பகமான அளவீடு, பாதுகாப்பான மாதிரி, வலுவான உடைகள் பாதுகாப்பு மற்றும் ஆபரேட்டர் மேம்பாட்டைக் குறைக்கும் தளவமைப்புகள். குறைவான வினைப்பொருள் கழிவுகள் மற்றும் குறைவான பணிநிறுத்தங்கள் மூலம் சீரான மீட்பு என்பதே குறிக்கோள்.

சயனைடிங் கருவிகள் குறைந்த தர தாதுவை சிக்கனமாக கையாள முடியுமா?

இது முடியும், ஆனால் உங்கள் இயக்கவியல் மற்றும் நுகர்வு சுயவிவரத்தைச் சுற்றி சுற்று வடிவமைக்கப்பட்டால் மட்டுமே. குறைந்த-தர செயல்பாடுகள் அதிக செலவு மற்றும் வேலையில்லா நேரத்தை எதிர்கொள்வதற்கு உணர்திறன் கொண்டதாக இருக்கும், எனவே கட்டுப்பாட்டு அமைப்புகள், உடைகள் வடிவமைப்பு மற்றும் கார்பன் மேலாண்மை ஆகியவை குறிப்பாக முக்கியமானவை.

எனக்கு CIP அல்லது CIL தேவையா என்பதை நான் எப்படி அறிவது?

தேர்வு பொதுவாக லீச் இயக்கவியல் மற்றும் எவ்வளவு விரைவாக கரைந்த தங்கம் கைப்பற்றப்பட வேண்டும் என்பதைப் பொறுத்தது. தங்கம் விரைவில் கரைந்து, உடனடியாகப் பிடிக்க விரும்பினால், CIL கவர்ச்சிகரமானதாக இருக்கும். உறிஞ்சுதலுக்கு முன் பிரிப்பதில் இருந்து கசிவு நன்மைகள் என்றால், CIP சிறப்பாகப் பொருந்தலாம். உலோகவியல் சோதனைகள் மற்றும் நடைமுறை தளக் கட்டுப்பாடுகள் முடிவை இயக்க வேண்டும்.

சயனைடு நுகர்வு சில நேரங்களில் திடீரென ஏன் அதிகரிக்கிறது?

பொதுவான காரணங்களில் தாது தாது மாற்றங்கள், மோசமான pH கட்டுப்பாடு, எதிர்பாராத ஆக்ஸிஜன் வரம்பு அல்லது செயல்முறை நீரில் மாசுபாடு ஆகியவை அடங்கும். ஒரு நல்ல கட்டுப்பாட்டுத் திட்டம் மற்றும் நம்பகமான மாதிரி புள்ளிகள் இந்த கூர்முனைகளை எளிதாகக் கண்டறிந்து விரைவாகச் சரிசெய்வதைச் செய்கிறது.

எனது தளம் தொலைதூரமாகவும், பணியாளர்கள் குறைவாகவும் இருந்தால் நான் எதற்கு முன்னுரிமை அளிக்க வேண்டும்?

கைமுறை கையாளுதலைக் குறைக்கும் பராமரிப்பு மற்றும் ஆட்டோமேஷனுக்கு முன்னுரிமை கொடுங்கள்: நீடித்த திரைகள், அணுகக்கூடிய உபகரண அமைப்பு, தரப்படுத்தப்பட்ட உதிரிபாகங்கள், இன்டர்லாக் செய்யப்பட்ட டோசிங் மற்றும் "ஒரு நிபுணர் ஆபரேட்டரை" நம்பாத தெளிவான இயக்க நடைமுறைகள்.


மடக்கு-அப்

வாங்குதல்சயனைடிங் உபகரணங்கள்இறுதியில் நிச்சயமற்ற தன்மையைக் குறைக்கிறது. வேதியியல் நிரூபிக்கப்படலாம், ஆனால் உங்கள் லாபம் நிலையான கட்டுப்பாடு, நடைமுறை பராமரிப்பு மற்றும் உண்மையான நபர்களுடன் உண்மையான மாற்றங்களில் செயல்படும் பாதுகாப்பு ஆகியவற்றை சார்ந்துள்ளது. நீங்கள் ஒரு புதிய ஆலையைத் திட்டமிடுகிறீர்களானால் அல்லது ஏற்கனவே உள்ள சுற்றுகளை மேம்படுத்தினால், உங்கள் தாது உண்மைகள், செயல்திறன் இலக்குகள் மற்றும் தளக் கட்டுப்பாடுகளை அட்டவணையில் கொண்டு வாருங்கள் - மேலும் சயனைடேஷனை ஒரு முழுமையான, கட்டுப்படுத்தக்கூடிய அமைப்பாகக் கருதும் ஒரு திட்டத்தை வலியுறுத்துங்கள்.

உங்கள் சயனைடேஷன் திட்டத்தை நம்பகமான, செலவு-நிலையான செயல்பாடாக மாற்றத் தயாரா?உங்கள் தாது வகை, இலக்கு திறன் மற்றும் தள நிலைமைகளைப் பகிரவும் மற்றும்எங்களை தொடர்பு கொள்ளவும்உங்கள் ஆலைக்கும் உங்கள் ஆபரேட்டர்களுக்கும் பொருந்தக்கூடிய நடைமுறை உபகரண உள்ளமைவைப் பற்றி விவாதிக்க.

விசாரணையை அனுப்பு

X
உங்களுக்கு சிறந்த உலாவல் அனுபவத்தை வழங்கவும், தள போக்குவரத்தை பகுப்பாய்வு செய்யவும் மற்றும் உள்ளடக்கத்தைத் தனிப்பயனாக்கவும் நாங்கள் குக்கீகளைப் பயன்படுத்துகிறோம். இந்தத் தளத்தைப் பயன்படுத்துவதன் மூலம், எங்கள் குக்கீகளைப் பயன்படுத்துவதை ஒப்புக்கொள்கிறீர்கள். தனியுரிமைக் கொள்கை